Loading...
Skip to content
Drivefault
  • Home
  • Log In

Delta MH300 Drive

Download Links

📥 Download Catalog 📥 Download Manual

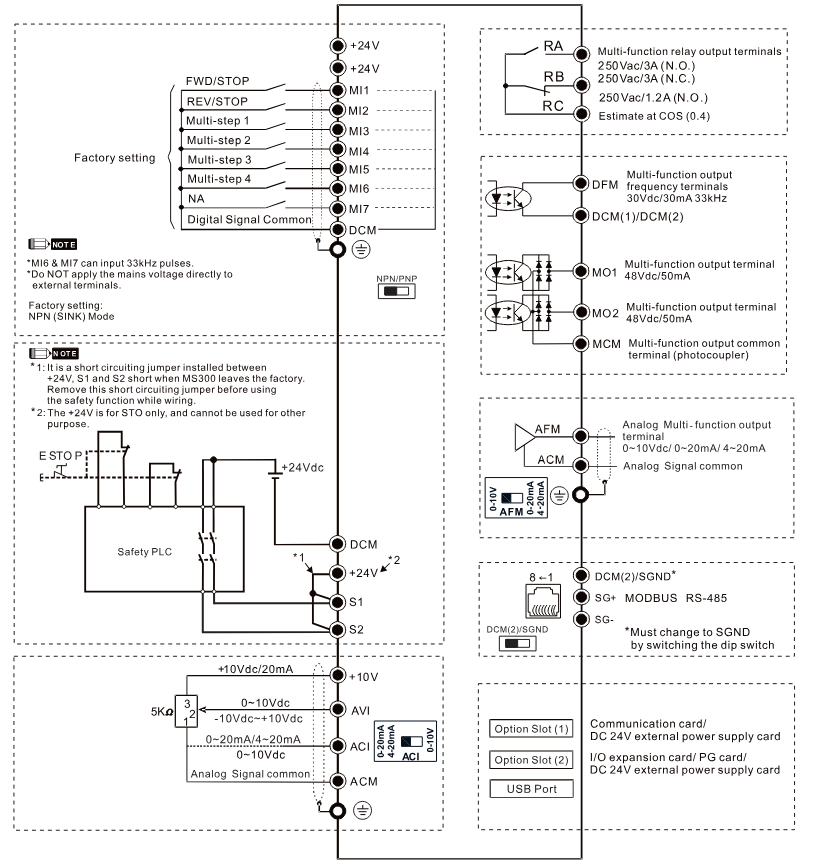
Wiring Details

Below image show terminal details:

© Drivefault. All rights reserved.
Back to top
×