Siemens MM420 Drive

📥 Download Catalog 📥 Download Manual

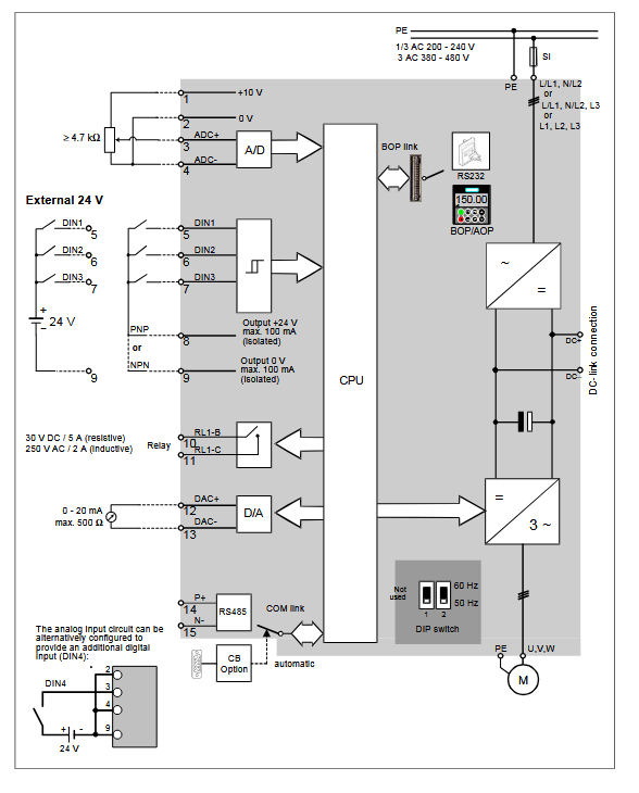
Below image show terminal details:

Search from below list for MM420 drive faults & alarms:

Fault CodesCause & Solution
F0001
Overcurrent
Cause:

– Motor power does not correspond to the inverter power
– Motor lead short circuit
– Earth fault

Soultion:

Check the following:
1. Motor power (P0307) must correspond to inverter power (P0206)
2. Cable length limits must not be exceeded
3. Motor cable and motor must have no short- circuits or earth faults
4. Motor parameters must match the motor in use
5. Value of stator resistance (P0350) must be correct
6. Motor must not be obstructed or overloaded
– Increase the ramp time
– Reduce the boost level
F0002
Overvoltage
Cause:

– DC-link voltage (r0026) exceeds trip level (P2172)
– Overvoltage can be caused either by too high main supply voltage or if motor is in regenerative mode
– Regenerative mode can be cause by fast ramp downs or if the motor is driven from an active load

Soultion:

Check the following:
1. Supply voltage (P0210) must lie within limits indicated on rating plate
2. DC-link voltage controller must be enabled (P1240) and parameterized properly
3. Ramp-down time (P1121) must match inertia of load
F0003
Undervoltage
Cause:

– Main supply failed
– Shock load outside specified limits

Soultion:

Check the following:
1. Supply voltage (P0210) must lie within limits indicated on rating plate
2. Supply must not be susceptible to temporary failures or voltage reductions
F0004
Inverter
Over-temperature
Cause:

– Ambient temperature outside of limits,
– Fan failure

Soultion:

Check the following:
1. Fan must turn when inverter is running
2. Pulse frequency must be set to default value
3. Air inlet and outlet points are not obstructed Ambient temperature could be higher than specified for the inverter.
F0005
Inverter I2t
Cause:

– Inverter overloaded
– Duty cycle too demanding
– Motor power (P0307) exceeds inverter power capability (P0206)

Soultion:

Check the following:
1. Load duty cycle must lie within specified limits
2. Motor power (P0307) must match inverter power (P0206)
F0011
Motor
Over
temperature I2t
Cause:

– Motor overloaded
– Motor data incorrect
– Long time period operating at low speeds

Soultion:

1. Check motor data
2. Check loading on motor
3. Boost settings too high (P1310,P1311, P1312)
4. Check parameter for motor thermal time constant
5. Check parameter for motor I2t warning level
F0041
Stator resistance
measurement
failure
Cause: Stator resistance measurement failure.

Soultion:

1. Check if the motor is connected to the inverter
2. Check that the motor data has been entered correctly
F0051
Parameter
EEPROM Fault
Cause: Reading or writing of the non-volatile parameter storage has failed

Soultion:

1. Factory reset and new parameterization
2. Change inverter
F0052
Powerstack
Fault
Cause: Reading of the powerstack information has failed or the data is invalid.

Soultion:

1. Change inverter.
2. There is an hardware or software issue in drive. Need to repair or replace drive.
F0060
Asic Timeout
Cause: Internal communications failure.

Soultion:

1. Acknowledge fault
2. Change inverter if repeated, there is an hardware or software issue in drive. Need to repair or replace drive.
F0070
Communications board
setpoint error
Cause: No setpoint received from communications board during telegram off time.

Soultion:

1. Check connections to the communications board.
2. Check the master.
F0071
No Data for
USS (RS232
link) during
Telegramm Off
Time
Cause: No response during telegram off time via USS (BOP link).

Soultion:

1. Check connections to the communications board.
2. Check the master.
F0072
No Data from
USS (RS485
link) during
Telegram Off
Time
Cause: No response during telegram off time via USS (COM link)

Soultion:

1. Check connections to the communications board.
2. Check the master.
F0080
Analogue
input-lost
input signal
Cause:

– Broken wire
– Signal out of limits

Soultion:

1. Check connection to analogue input.
2. Check drive control wiring.
F0085
External Fault
Cause: External fault is triggered via terminal inputs.

Soultion: Disable terminal input for fault trigger.
F0101
Stack
Overflow
Cause: Software error or processor failure.

Soultion:

1. Run self test routines.
2. Change inverter.
F0221
PI Feedback
below minimum
value
Cause: PID Feedback below minimum value P2268.

Soultion:

1. Change value of P2268
2. Adjust feedback gain
F0222
PI Feedback
above maximum
value
Cause: PID Feedback above maximum value P2267.

Soultion:

1. Change value of P2267.
2. Adjust feedback gain.
F0450
BIST Tests
Failure
Cause: Fault value
1 Some of the power section tests have failed
2 Some of the control board tests have failed
4 Some of the functional tests have failed
8 Some of the IO module tests have failed
16 The Internal RAM has failed its check on power-up

Soultion:

1. Inverter may run but certain actions will not function correctly.
2. Replace inverter.
A0501
Current Limit
Cause:

– Motor power does not correspond to the inverter power
– Motor leads are too short
– Earth faults

Soultion:

1. Check whether the motor power corresponds to the inverter power.
2. Check that the cable length limits have not been exceeded.
3. Check motor cable and motor for short- circuits and earth faults.
4. Check whether the motor parameters correspond with the motor being used.
5. Check the stator resistance.
6. Increase the ramp-up-time.
7. Reduce the boost.
8. Check whether the motor is obstructed or overloaded.
A0502
Overvoltage
limit
Cause:

– Mains supply too high
– Load regenerative
– Ramp-down time too short

Soultion:

1. Check that mains supply voltage is within allowable range
2. Increase ramp down times

Note: Vdc-max controller is active, ramp-down times will be automatically increased.
A0503
Undervoltage
Limit
Cause:

– Mains supply too low
– Short mains interruption

Soultion:

1. Check main supply voltage (P0210).
2. If supply is ok then check drive rectifier using multimeter.
A0504
Inverter
Over-temperature
Cause: Warning level of inverter heat-sink temperature (P0614) is exceeded, resulting in pulse frequency reduction and/or output frequency reduction (depending on parametrization in (P0610).

Soultion:

1. Check if ambient temperature is within specified limits
2. Check load conditions and duty cycle
3. Check if fan is turning when drive is running
A0505
Inverter I2t
Cause: Warning level is exceeded; current will be reduced if parameterized (P0610 = 1)

Soultion:

1. Check if duty cycle is within specified limits.
A0506
Inverter Duty
Cycle
Cause: Heatsink temperature and thermal junction model are outside of allowable range

Soultion:

1. Check if duty cycle are within specified limits.
A0511
Motor Over-
temperature I2t
Cause: Motor overloaded.

Soultion:

Check the following:
1. P0611 (motor i2t time constant) should be set to appropriate value
2. P0614 (Motor i2t overload warning level) should be set to suitable level
3. Are long periods of operation at low speed occuring
4. Check that boost settings are not too high
A0541
Motor Data
Identification
Active
Cause: Motor data identification (P1910) selected or running.

Soultion:

1. Wait until motor identification is finished.
2. This is a informative alarm.
A0600
RTOS Overrun
Warning
Cause: Software error.

Soultion: There is an hardware or software issue in drive. Need to repair or replace drive.
A0700
CB warning 1
Cause: CB (communication board) specific.

Soultion:

1. See CB user manual
A0701
CB warning 2
Cause: CB (communication board) specific.

Soultion:

1. See CB user manual
A0702
CB warning 3
Cause: CB (communication board) specific.

Soultion:

1. See CB user manual
A0703
CB warning 4
Cause: CB (communication board) specific.

Soultion:

1. See CB user manual
A0704
CB warning 5
Cause: CB (communication board) specific.

Soultion:

1. See CB user manual
A0705
CB warning 6
Cause: CB (communication board) specific.

Soultion:

1. See CB user manual
A0706
CB warning 7
Cause: CB (communication board) specific.

Soultion:

1. See CB user manual
A0707
CB warning 8
Cause: CB (communication board) specific.

Soultion:

1. See CB user manual
A0708
CB warning 9
Cause: CB (communication board) specific.

Soultion:

1. See CB user manual
A0709
CB warning 10
Cause: CB (communication board) specific.

Soultion:

1. See CB user manual
A0710
CB communication
error
Cause: Communication with CB (communication board) is lost.

Soultion:

1. Check CB hardware.
A0711
CB configuration
error
Cause: CB (communication board) reports a configuration error

Soultion:

1. Check CB parameters
A0910
Vdc-max
controller
de-activated
Cause: Vdc max controller has been de- activated, since controller is not capable of keeping DC-link voltage (r0026) within limits (P2172)
– Occurs if main supply voltage (P0210) is permanently too high
– Occurs if motor is driven by an active load, causing motor to goes into regenerative mode
– Occurs at very high load inertias, when ramping down

Soultion:

Check the following:
1. Input voltage (P0756) lies within range?
2. Load must match
In certain cases apply braking resistor
A0911
Vdc-max
controller
active
Cause: Vdc max controller is active; so ramp- down times will be increased automatically to keep DC-link voltage (r0026) within limits (P2172).

Soultion:

1. Check parameter inverter input voltage
2. Check ramp-down times
A0912
Vdc-min
controller
active
Cause: Vdc min controller will be activated if DC-link voltage (r0026) falls below minimum level (P2172).
– The kinetic energy of the motor is used to buffer the DC-link voltage, thus causing deceleration of the drive!.
– So short mains failures do not necessarily lead to anundervoltage trip.
A0920
ADC parameters
not set
properly
Cause: ADC parameters should not be set to identical values, since this would produce illogical results.
– Index 0: Parameter settings for output identical
– Index 1: Parameter settings for input identical
– Index 2: Parameter settings for input do not correspond to ADC type

Soultion: Analogue input parameters should not be set to the same value as each other.
A0921
DAC parameters
not set
properly
Cause: DAC parameters should not be set to identical values, since this would produce illogical results.
– Index 0: Parameter settings for output identical.
– Index 1: Parameter settings for input identical.
– Index 2: Parameter settings for output do not correspond to DAC type.

Soultion: Analogue Output parameters should not be set to the same value as each other.
A0922
No load
applied to
inverter
Cause:

– No Load is applied to the inverter.
– As a result, some functions may not work as under normal load conditions Low output voltage eg when 0 boost applied at 0 Hz.

Soultion:

1. Check that load is applied to the inverter.
2. Check motor parameters correspond to motor attached.
3. As a result, some functions may not work correctly, because there is no normal load condition.
A0923
Both JOG Left
and JOG Right
are requested
Cause: Both JOG right and JOG left (P1055/P1056) have been requested. This freezes the RFG output frequency at its current value. JOG right and JOG left signals active together.

Soultion: Make sure that JOG right and JOG left signals are not applied simultaneously.