
Download Links
| Â |
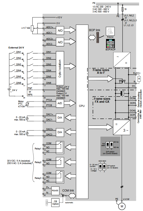
Wiring Details
Below image show terminal details:



Faults & Alarms
Search from below list for MM440 drive faults & alarms:
| Fault Codes | Cause & Solution |
|---|---|
| F0001 OverCurrent | Cause: – Motor power (P0307) does not correspond to the inverter power (r0206) – Motor lead short circuit – Earth faults Solution: Check the following: 1. Motor power (P0307) must correspond to inverter power (r0206). 2. Cable length limits must not be exceeded. 3. Motor cable and motor must have no short- circuits or earth faults 4. Motor parameters must match the motor in use 5. Value of stator resistance (P0350) must be correct 6. Motor must not be obstructed or overloaded – Increase the ramp time – Reduce the boost level |
| F0002 OverVoltage | Cause: – DC-link voltage (r0026) exceeds trip level (P2172) – Overvoltage can be caused either by too high main supply voltage or if motor is in regenerative mode. Regenerative mode can be cause by fast ramp downs or if the motor is driven from an active load. Solution: Check the following: 1. Supply voltage (P0210) must lie within limits indicated on rating plate . 2. DC-link voltage controller must be enabled (P1240) and parameterized properly. 3. Ramp-down time (P1121) must match inertia of load. 4. Required braking power must lie within specified limits. NOTE: Higher inertia requires longer ramp times; otherwise, apply braking resistor. |
| F0003 UnderVoltage | Cause: – Main supply failed. – Shock load outside specified limits. Solution: Check the following: 1. Supply voltage (P0210) must lie within limits indicated on rating plate. 2. Supply must not be susceptible to temporary failures or voltage reductions. |
| F0004 Inverter Over Temperature | Cause: – Ventilation inadequate – Ambient temperature is too high. Solution: Check the following: – Fan must turn when inverter is running – Pulse frequency must be set to default value – Ambient temperature could be higher than specified for the inverter – Additional meaning for Mega Master: – P949 = 1: Rectifiere overtemperature – P949 = 2: Ambient overtemperature – P949 = 3: EBOX overtemperature |
| F0005 Inverter I2T | Cause: – Inverter overloaded. – Duty cycle too demanding. – Motor power (P0307) exceeds inverter power capability (r0206). Solution: Check the following: 1. Load duty cycle must lie within specified limits. 2. Motor power (P0307) must match inverter power (r0206) |
| F0011 Motor Over Temperature | Cause: Motor overloaded. Solution: Check the following: 1. Load duty cycle must be correct 2. Motor nominal overtemperatures (P0626-P0628) must be correct 3. Motor temperature warning level (P0604) must match |
| F0012 Inverter temp. signal lost | Cause: Wire breakage of inverter temperature (heatsink) sensor. Soultion: There is an hardware or software issue in drive. Need to repair or replace drive. |
| F0015 Motor temperature signal lost | Cause: Open or short circuit of motor temperature sensor. If signal loss is detected, temperature monitoring switches over to monitoring with the motor thermal model. Solution: 1. Check drive control wiring. 2. Check for loose connection. |
| F0020 Mains Phase Missing | Cause: Fault occurs if one of the three input phases are missed and the pulses are enabled and drive is loaded Solution: 1. Check the input wiring of the mains phases. 2. Check drive rectifier using multimeter. |
| F0021 Earth fault | Cause: Fault occurs if the sum of the phase currents is higher than 5 % of the nominal inverter current. NOTE – Framesizes D to F This fault only occurs on inverters that have 3 current sensors. Solution: 1. Check earthing. 2. Remove motor cable then check. |
| F0022 Powerstack fault | Cause: That hardware fault (P0947 = 22 and P0949 = 1) caused by the following events: (1) DC-link overcurrent = short circuit of IGBT (2) Short circuit of chopper (3) Earth fault (4) I/O board is not poperly inserted. – Framesizes A to C (1),(2),(3),(4) – Framesizes D to E (1),(2),(4) – FramesizeF(2),(4) – Since all these faults are assigned to one signal on the power stack, it is notpossible to establish which one actually occurred. – UCE failure was detected, when P0947 = 22 and fault value P0949 =12 or 13 or 14, depending on UCE (for MegaMaster only). Solution: 1. Check the I/O board. It has to be fully pressed home. 2. Check drive hardware using multimeter. |
| F0023 Output fault | Cause: One phase of output is disconnected. This fault also come when you run drive without motor ore rating of motor is small as compare to drive. Solution: 1. Check motor wiring. 2. Check motor rating. |
| F0024 Rectifier Over Temperature | Cause: – Ventilation inadequate – Fan inoperative – Ambient temperature is too high. Solution: Check the following: – Fan must turn when inverter is running – Pulse frequency must be set to default value – Ambient temperature could be higher than specified for the inverter |
| F0030 Fan has failed | Cause: Fan no longer working Fault cannot be masked while options module (AOP or BOP) is connected. Solution: – Need a new fan. |
| F0035 Auto restart after n | Cause: Auto restart fault after n-restart try. |
| F0040 Automatic Calibration Failure | Cause: MICROMASTER 440 only |
| F0041 Motor Data Identification Failure | Cause: Motor data identification failed. – Alarm value =0: Load missing – Alarm value =1: Current limit level reached during identification. – Alarm value =2: Identified stator resistance less than 0.1% or greater than 100%. – Alarm value =3: Identified rotorresistance less than 0.1% or greater than 100%. – Alarm value =4: Identified stator reactance less than 50% and greater than 500% – Alarm value =5: Identified main reactance less than 50% and greater than 500% – Alarm value =6: Identified rotor time constant less than 10ms or greater than 5s – Alarm value =7: Identified total leakage reactance less than 5% and greater than 50% – Alarm value =8: Identified stator leakage reactance less than 25% and greater than 250% – Alarm value =9: Identified rotor leakage inductance less than 25% and greater than 250% – Alarm value = 20: Identified IGBT on- voltage less than 0.5 or greater than 10V – Alarm value = 30: Current controller at voltage limit – Alarm value = 40: Inconsistence of identified data set, at least one identification failed Percentage values based on the impedance Zb = Vmot,nom / sqrt(3) / Imot,nom Solution: 0: Check that the motor is connected to the inverter. 1-40: Check if motor data in P304-311 are correct. Check what type of motor wiring is required (star, delta). |
| F0042 Speed Control Optimisation Failure | Cause: – Motor data identification failed. – Alarm value =0: Time out waiting for stable speed – Alarm value =1: Inconsistent readings |
| F0051 Parameter EEPROM Fault | Cause: Read or write failure while saving non-volatile parameter. Solution: – Factory Reset and new parameterization – Change drive |
| F0052 power stack Fault | Cause: Read failure for power stack information or invalid data. Solution: 1. Change drive. 2. There is an hardware or software issue in drive. Need to repair or replace drive. |
| F0053 IO Eeprom Fault | Cause: Read failure for IO EEPROM information or invalid data. Soultion: – Check data – Change IO module |
| F0054 Wrong IO Board | Cause: 1. Wrong IO board is connected. 2. No ID detected on IO board, No data. Solution: – Check data – Change IO module |
| F0060 Asic Timeout | Cause: Internal communications failure. Solution: 1. If fault persists then there is an hardware or software issue in drive. Need to repair or replace drive. |
| F0070 CB setpoint fault | Cause: No setpoint values from CB (communication board) during telegram off time Solution: 1. Check CB and communication partner. |
| F0071 USS (BOP-link) setpoint fault | Cause: No setpoint values from USS during telegram off time Solution: – Check USS master . |
| F0072 USS (COMM link) setpoint fault | Cause: No setpoint values from USS during telegram off time Solution: 1. Check USS master. |
| F0080 ADC lost input signal | Cause: – Broken wire. – Signal out of limits. Solution: 1. Check wiring. |
| F0085 External Fault | Cause: External fault triggered via terminal inputs. Solution: Disable terminal input for fault trigger. |
| F0090 Encoder feedback loss | Cause: Signal from Encoder lost. Solution: 1. Check encoder fitted. If encoder not fitted, set P400 = 0 and select SLVC mode (P1300 = 20 or 22) 2. Check connections between encoder and inverter 3. Check encoder not faulty (select P1300 = 0, run at fixed speed, check encoder feedback signal in P66) 4. Increase encoder loss threshold in P492 |
| F0101 Stack Overflow | Cause: Software error or processor failure. Solution: Run self test routines. |
| F0221 PID Feedback below min. value | Cause: PID Feedback below min. value P2268. Solution: 1. Change value of P2268.Adjust feedback gain. |
| F0222 PID Feedback above max. Value | Cause: PID feedback above max. value P2267. Solution: 1. Change value of P2267.Adjust feedback gain. |
| F0450 BIST Tests Failure | Cause: Fault value: 1. Some power section tests have failed 2. Some control board tests have failed 4. Some functional tests have failed 8. Some IO module tests have failed. (MM 420 only) 16. Internal RAM failed on power-up check Solution: – Drive may run but some features will not work properly. – Replace drive. – There is an hardware or software issue in drive. Need to repair or replace drive. |
| F0452 Belt Failure Detected | Cause: Load conditions on motor indicate belt failure or mechanical fault. Solution: Check the following: 1. No breakage, seizure or obstruction of drive train. 2. If using an external speed sensor, check for correct function.Check parameters: – P0409 (pulse per min at rated speed). – P2191 (Belt failure speed tolerance). – P2192 (delay time for permitted deviation) 3. If using the torque envelope, check parameters: – P2182 (threshold frequency f1) – P2183 (threshold frequency f2) – P2184 (threshold frequency f3) – P2185 (upper torque threshold 1) – P2186 (lower torque threshold 1) – P2187 (upper torque threshold 2) – P2188 (lower torque threshold 2) – P2189 (upper torque threshold 3 – P2190 (lower torque threshold 3) – P2192 (delay time for permitted deviation) 4. Apply lubrication if required. |
| A0501 Current Limit | Cause: – Motor power does not correspond to the inverter power – Motor leads are too long – Earth faults Solution: Check the following: 1. Motor power (P0307) must correspond to inverter power (r0206). 2. Cable length limits must not be exceeded. 3. Motor cable and motor must have no short- circuits or earth faults 4. Motor parameters must match the motor in use 5. Value of stator resistance (P0350) must be correct 6. Motor must not be obstructed or overloaded – Increase the ramp-up-time. – Reduce the boost. |
| A0502 Overvoltage limit | Cause: Overvoltage limit is reached. – This warning can occur during ramp down, if the dc-link controller is disabled (P1240 = 0). Solution: If this warning is displayed permanently, check drive input voltage. |
| A0503 UnderVoltage Limit | Cause: Main supply failed. – Main supply (P0210) and consequently DC- link voltage (R0026) below specified limit (P2172). Solution: 1. Check main supply voltage (P0210). |
| A0504 Inverter OverTemperature | Cause: Warning level of inverter heat-sink temperature (P0614) is exceeded, resulting in pulse frequency reduction and/or output frequency reduction (depending on parametrization in (P0610) Solution: Check the following: 1. Ambient temperature must lie within specified limits 2. Load conditions and duty cycle must be appropriate |
| A0505 Inverter I2T | Cause: Warning level exceeded, current will be reduced if parameterized (P0610 = 1). Solution: 1. Check that duty cycle lies within specified limits |
| A0506 Inverter duty cycle | Cause: Difference between heatsink and IGBT junction temperature exceeds warning limits. Solution: 1. Check that duty cycle and shock loads lie within specified limits. |
| A0511 Motor OverTemperature I2T | Cause: – Motor overloaded. – Load duty cycle too high. Solution: Independently of the kind of temperature determination check: – P0604 motor temperature warning threshold – P0625 motor ambient temperature – If (P601 = 0 or 1) Check the following: 1. Check if name plate data are correct (if not perform quick commissioning) 2. Accurate equivalent circuit data can be found by performing motor identification (P1910=1). 3. Check if motor weight (P344) is reasonable. Change if neccesary. 4. Via P626, P627, P628 the standard overtemperatures can be changed, if the motor is nota Siemens standard motor. – If (P601 = 2) Check the following: 1. Check if temperature shown in r35 is reasonable. 2. Check if the sensor is a KTY84 (other sensors are not supported) |
| A0512 Motor temperature signal lost | Cause: Wire break to motor temperature sensor. If a wire breakage is be detected, temperature monitoring switches over to monitoring with the motor thermal model. Solution: 1. Check control wiring. |
| A0520 Rectifier OverTemperature | Cause: Warning level of rectifier heat-sink temperature (P) is exceeded. Solution: Check the following: 1. Ambient temperature must lie within specified limits 2. Load conditions and duty cycle must be appropriate 3. Fan must turn when drive is running |
| A0521 Ambient OverTemperature | Cause: Warning level of ambient temperature (P) is exceeded. Solution: Check the following: 1. Ambient temperature must lie within specified limits 2. Fan must turn when drive is running 3. Fan intake air has to be without any resistance |
| A0522 I2C read out timeout | Cause: The cyclic access to the UCE Values and powerstack temperatures via the i2c bus (Mega Master) is disturbed. |
| A0523 Output fault | Cause: One phase of output is disconnected Warning can be maske. This fault also comes when you run drive without motot or rating of motor is small as compare to drive. Solution: 1. Check motor cable. 2. Check for wire brake or loose connection. 3. Conpare drive motor rating. |
| A0535 Braking Resistor Hot | |
| A0541 Motor Data Identification Active | Cause: Motor data identification (P1910) selected or running. Solution: This is a informative warning. |
| A0542 Speed Control Optimisation Active | Cause: Speed Control Optimisation (P1960) is selected or running. |
| A0590 Encoder feedback loss warning | Cause: Signal from Encoder lost and Inverter has switched to sensorless vector control Solution: Stop inverter and then 1. Check encoder fitted. If encoder not fitted, set P400 = 0 and select SLVC mode (P1300 = 20 or 22) 2. Check connections between encoder and inverter 3. Check encoder not faulty (select P1300 = 0, run at fixed speed, check encoder feedback signal in P66) 4. Increase encoder loss threshold in P492 |
| A0600 RTOS Overrun Warning | |
| A0700 CB warning 1 see CB manual for details | Cause: CB (communication board) specific. Solution: See CB user manual. |
| A0701 CB warning 2 see CB manual for details | Cause: CB (communication board) specific. Solution: See CB user manual. |
| A0702 CB warning 3 see CB manual for details | Cause: CB (communication board) specific. Solution: See CB user manual. |
| A0703 CB warning 4 see CB manual for details | Cause: CB (communication board) specific. Solution: See CB user manual. |
| A0704 CB warning 5 see CB manual for details | Cause: CB (communication board) specific. Solution: See CB user manual. |
| A0705 CB warning 6 see CB manual for details | Cause: CB (communication board) specific. Solution: See CB user manual. |
| A0706 CB warning 7 see CB manual for details | Cause: CB (communication board) specific. Solution: See CB user manual. |
| A0707 CB warning 8 see CB manual for details | Cause: CB (communication board) specific. Solution: See CB user manual. |
| A0708 CB warning 9 see CB manual for details | Cause: CB (communication board) specific. Solution: See CB user manual. |
| A0709 CB warning 10 see CB manual for details | Cause: CB (communication board) specific. Solution: See CB user manual. |
| A0710 CB communication error | Cause: Communication with CB (communication board) is lost. Solution: 1. Check CB hardware. |
| A0711 CB configuration error | Cause: CB (communication board) reports a configuration error. Solution: 1. Check CB parameters. |
| A0910 Vdc-max controller de-activated | Cause: Vdc max controller has been de-activated, since controller is not capable of keeping DC- link voltage (r0026) within limits (P2172). – Occurs if main supply voltage (P0210) is permanently too high. – Occurs if motor is driven by an active load, causing motor to goes into regenerative mode. – Occurs at very high load inertias, when ramping down. Solution: Check the following: 1. Input voltage (P0210) must lie within range. 2. Load must be match. |
| A0911 Vdc-max controller active | Cause: Vdc max controller is active; so ramp- down times will be increased automatically to keep DC-link voltage (r0026) within limits (P2172). |
| A0912 Vdc-min controller active | Cause: Vdc min controller will be activated if DC-link voltage (r0026) falls below minimum level (P2172). – The kinetic energy of the motor is used to buffer the DC-link voltage, thus causing deceleration of the drive! – So short mains failures do not necessarily lead to an undervoltage trip. |
| A0920 ADC parameters not set properly | Cause: ADC parameters should not be set to identical values, since this would produce illogical results. – Index 0: Parameter settings for output identical – Index 1: Parameter settings for input identical – Index 2: Parameter settings for input do not correspond to ADC type |
| A0921 DAC parameters not set properly | Cause: DAC parameters should not be set to identical values, since this would produce illogical results. – Index 0: Parameter settings for output identical – Index 1: Parameter settings for input identical – Index 2: Parameter settings for output do not correspond to DAC type |
| A0922 No load applied to inverter | Cause: No Load is applied to the inverter. As a result, some functions may not work as under normal load conditions. This alarm also comes when you run drive without motor or the rating of motor is small as compare to drive. Solution: 1. Check motor cable. 2. Check motor rating. |
| A0923 Both JOG Left and JOG Right are requested | Cause: Both JOG right and JOG left (P1055/P1056) have been requested. This freezes the RFG output frequency at its current value. |
| A0952 Belt Failure Detected | Cause: Load conditions on motor indicate belt failure or mechanical fault. Solution: Apply lubrication if required. Check the following: 1. No breakage, seizure or obstruction of drive train. 2. If using an external speed sensor, check for correct function.Check parameters: – P0409 (pulse per min at rated speed). – P2191 (Belt failure speed tolerance). – P2192 (delay time for permitted deviation) 3. If using the torque envelope, check parameters: – P2182 (threshold frequency f1) – P2183 (threshold frequency f2) – P2184 (threshold frequency f3) – P2185 (upper torque threshold 1) – P2186 (lower torque threshold 1) – P2187 (upper torque threshold 2) – P2188 (lower torque threshold 2) P2189 (upper torque threshold 3) P2190 (lower torque threshold 3) P2192 (delay time for permitted deviation) 4. Apply lubrication if required. |
| A0936 PID Autouning Active | Cause: PID Autotuning (P2350) selected or running. Solution: This is a informative alarm. |